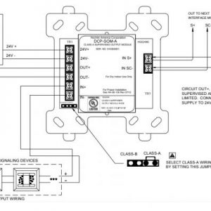
DCP-SOM-A/AI: Module điều khiển ngõ ra, Kiểu A/B, 24VDC
Thường dùng kết nối chuông, còi, đèn chớp, relay…. điều khiển thiết bị ngoại vi, thang máy, quạt, tủ điện…..Khả năng giám sát ngắn mạch, hở mạch.
Thông số kỹ thuật
Đạt chuẩn UL , FM, CSFM.
Có mạch cách ly (Chỉ có loại SOM-AI).
Ứng dụng linh hoạt.
Phản ứng nhanh với trường hợp khẩn cấp.
Mạch đầu ra được giám sát với điện trở cuối đường dây (10K ohms) EOLD.
Điện áp cung cấp (S-SC) 25.3 ~ 39 VDC
Dòng tiêu thụ trung bình SOM-AI – 420μA (Typical), SOM-A 220μA – ( Typical) (trên S-SC) tối đa 6mA.
Led chớp xanh khi hoạt động bình thường. Led sáng đỏ khi báo động.
Dòng tiêu thụ trên đường AUX Typical 50μA
Điện trở kích hoạt cách ly SCI: 40m ohm (điều kiện bình thường)
Ngưỡng phát hiện lỗi cách ly SCI 12 volts (Typical)
Dòng cách ly (ngắn mạch Điều kiện)10mA (Typical)
Số lượng tối đa cho mỗi Loop 127
Kích thước 4.2″W x 4.7″H x 1.4″D
Nhiệt độ làm việc 32oF (0oc) – 120oF (49oC)
Hộp đựng Hộp vuông 4”
Dòng điện tối đa ngõ ra 2A@24VDC
Độ ẩm tương đối 90% RH không ngưng tụ
Cài đặt địa chỉ thiết bị từ 1-127 bằng bộ lập trình cầm tay TCH-B100.






Đánh giá
Chưa có đánh giá nào.